В Казанском федеральном университете приступили к применению экспериментальной 4D-рентгеновской компьютерной томографии в целях максимально точного анализа свойств изделий из пористых материалов, которые напечатаны с послойным наплавлением. Ожидается, что методика найдет применение в промышленном и медицинском направлениях.
Как уточняется, разработка специалистов КФУ позволит проводить более точную оценку свойств пористости, а оснастка для 4D-томографии, разработанная в ВУЗе, демонстрирует исключительные результаты и высокую точность оценки находящихся под нагрузкой структур в динамике.
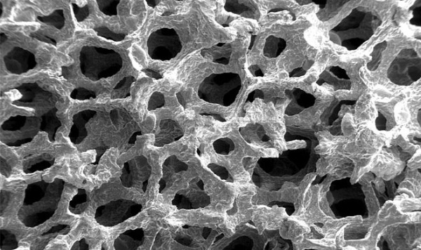
Эксперименты по сжатию пористых изделий показали, что упругие деформации меняют объем пор, тогда как пластические влияют на их форму и ориентацию. Причем при небольших пластических деформациях на снижение упругости влияют межслойные поры, но по мере ее возрастания на дальнейшее изменение свойств материала они практически не влияют.
Использование пористых материалов все больше расширяется — к примеру, из них изготавливают медицинские импланты, которые требуют высокоточного контроля как по размеру пор, так и по их форме. Мало того, они находят все большее применение в энергетической, автомобильной и аэрокосмической Понравился пост? Есть что сказать? Присоединяйтесь:
Поделиться
Вконтакте





