Конец эпохи: обновление macOS 26 официально «похоронит» технологию FireWire
В предстоящем обновлении macOS 26 «Tahoe» Apple окончательно прекратит поддержку устаревшего интерфейса FireWire, поставив точку в затяжной истории этой технологии и ознаменовав завершение эры специализированных подключений в пользу универсальных...
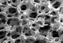
В Казани применили 4D-томографию для оценки пористых материалов
В Казанском федеральном университете приступили к применению экспериментальной 4D-рентгеновской компьютерной томографии в целях максимально точного анализа свойств изделий из пористых материалов, которые напечатаны с послойным наплавлением. Ожидается, что методика...
35-дюймовый мобильный дисплей Splay Max раскрывается как зонтик
Техасская компания Arovia анонсировала на Kickstarter обновленную версию своего портативного дисплея Splay под названием Max. Новинка представляет собой компактную коробку, которая превращается в полноценный 35-дюймовый дисплей с разрешением Full...
Иранские ВВС «сбили» израильский истребитель F-35 с помощью авиасимулятора War Thunder
Едва ли разработчики популярных военных видеоигр могли представить, что их продукция неожиданно станет востребованной при ведении совсем иных войн — пропагандистских. Яркий тому пример — разгорающийся на Ближнем Востоке...
Запросы к ИИ выбрасывают в атмосферу столько же CO2, что и полет через Атлантику
Исследователи из немецкого Hochschule München University of Applied Sciences попытались проанализировать уровень выбросов в атмосферу из-за работы популярных нейросетей. Они исходили из усредненного показателя в 480 грамм CO₂ на...
Пузырьки во льду можно с успехом использовать для хранения данных
Исследователи из Пекинского технологического института разработали технологию экспериментального накопителя данных на основе обычного льда. Они изучали механизмы образования пузырьков газов, которые формируются при замерзании воды. Ученым удалось научиться управлять...
Ученые исследуют крошечные оранжевые частицы с поверхности Луны
Во время лунных миссий «Аполлон» полвека назад американские астронавты обнаружили на поверхности Луны огромное количество крошечных (меньше песчинки) оранжевых шариков. По мнению ученых, на поверхность их «доставили» вулканы более...
До 70% всей ИИ-музыки на стриминговом сервисе Deezer оказались фейком
Французский стриминговый гигант Deezer сообщил о беспрецедентном росте количества фальшивых музыкальных треков, созданных в мошеннических целях. Самое интересное в том, что и пишет эту музыку, и слушает потом тоже...
OpenAI заключила контракт с Пентагоном на $200 миллионов на создание ИИ для военных
Вопреки прошлогоднему запрету использовать свои технологии в военных целях, OpenAI заключила с министерством обороны США контракт на $200 млн. и сроком на год для разработки передовых ИИ-инструментов для решения...
Ультракомпактный модуль Kamingo превратит любой велосипед в электробайк за две минуты
На выставке Eurobike 2025 компания Kamingo представила компактный электропривод, который превращает обычный велосипед в электробайк за считанные минуты. Эта модульная система весом всего 2,3 кг предлагает удобное решение для...



















